Smart Home Automation Forum

Full Version: KC868-A4 Dip button
You're currently viewing a stripped down version of our content. View the full version with proper formatting.
Hello!
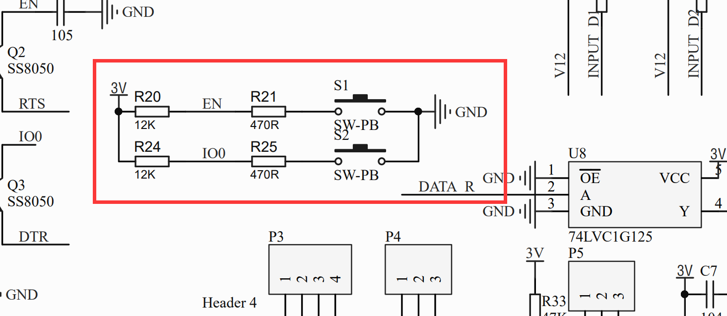
I was trying to find which ins is connected to S1 and S2 buttons of KC868-A4.
On my board isn't specified which one is reset.. and the another one, in which pin is connected.
May I use one of this two pins as button? Is a pullup or pulldown resistor ?
[attachment=3528]
S1 is ESP32 RESET button.
S2 is IO0, it's for download or define function by yourself.